Overview
Aus aktuellem Anlass möchten wir hier ein kurzes Resümee zu einem Projekt ziehen, an dem wir bereits 2019 bei YOUin3D in Berlin gearbeitet haben.Damals haben wir über längere Zeit mit einem Induktions Hotend für FDM 3D Drucker experimentiert. Unser Ansatz war ein sehr kompakter Hotend Aufbau, der teilweise sogar 3D gedruckt war und über induktive Erwärmung funktionierte, statt über eine klassische Heizpatrone.
Parallel dazu hatten wir auch begonnen, ein entsprechendes Patent anzumelden. Wie das bei vielen frühen Hardwareprojekten passiert, haben wir dieses jedoch nie vollständig weitergeführt oder verteidigt.
In letzter Zeit werden wir wieder häufiger an dieses Projekt erinnert. Der Grund ist recht einfach. Es zeichnet sich zunehmend ab, dass Induktions Hotends besonders im Zusammenhang mit Toolchanger Systemen und Multi Material Lösungen wie AMS eine neue Generation von Hotend Konzepten einleiten könnten.
Für uns ist es deshalb spannend zu sehen, wie eine Idee, mit der wir vor einigen Jahren experimentiert haben, heute wieder in verschiedenen Formen in der Branche auftaucht. Deshalb möchten wir an dieser Stelle unsere damaligen Erfahrungen und Überlegungen etwas teilen.
Interessant fanden wir auch eine Passage in einem Blogartikel aus der Branche;
Zitat:
„It was a collection of ideas bundled into patent submissions and a raw but practical demo. One working freaking demo! All together just brilliant. Among other raw and ready-to-use concepts, one idea stood out and brought back old thoughts — the core idea behind the IN in INDX.“
Quelle:
https://www.bondtech.se/2025/04/25/what-in-means-in-bondtech-indx/
Natürlich können wir nicht mit Sicherheit sagen, worauf sich diese Geschichte genau bezieht. Aber wir haben durchaus den Eindruck, dass einige der heutigen Entwicklungen rund um INDX und induktionsbasierte Hotend Konzepte zumindest teilweise von ähnlichen frühen Experimenten inspiriert sein könnten.
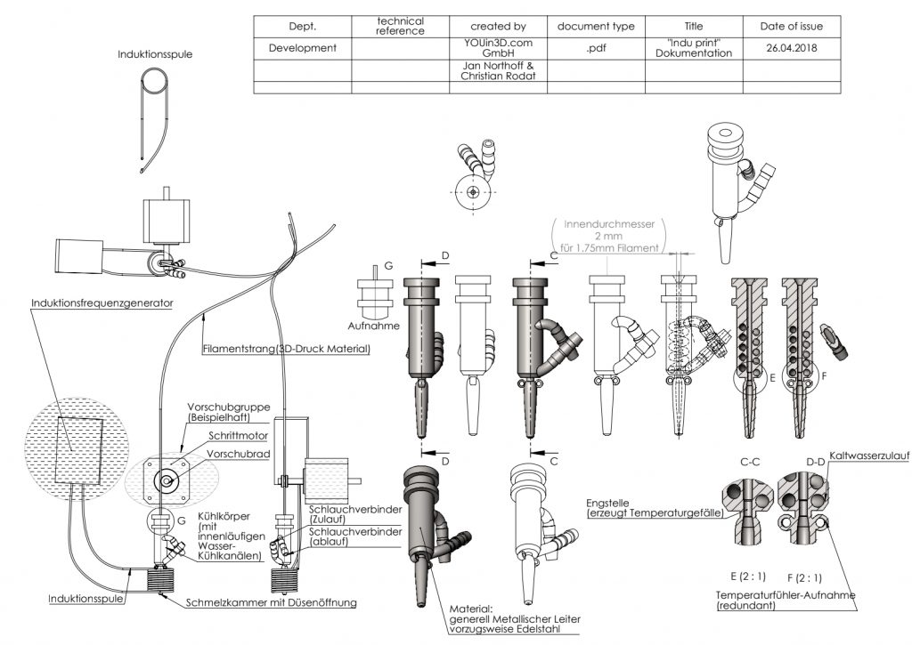
Als wir diese Passage gelesen haben, kam uns das tatsächlich ziemlich bekannt vor. Wir hatten zu dieser Zeit bereits eine Patentanmeldung eingereicht (Übersicht / Komplettes Patent ), unsere Idee öffentlich dokumentiert und sogar ein Video mit einem funktionierenden Prototypen des Induktions Hotends veröffentlicht.
Heute tauchen induktiv beheizte Hotends verstärkt in neuen Systemen auf. Für uns ist das eine schöne Erinnerung an ein Projekt, an dem wir schon vor einigen Jahren intensiv gearbeitet haben.
Hier unser Proof of Concept von 2018:

induction hotend proof of concept 26.04.2018-01
Wie ein klassisches 3D Druck Hotend funktioniert
In einem normalen FDM 3D Drucker wird Filament durch ein Hotend geführt. Dort sitzt üblicherweise ein Heizblock mit einer Heizpatrone. Diese erwärmt den Block, der wiederum die Düse und den Schmelzbereich auf Temperatur bringt.
Dieses Prinzip funktioniert zuverlässig, bringt aber einige technische Nachteile mit sich.
Der Heizblock hat relativ viel thermische Masse. Dadurch dauert das Aufheizen länger. Auch das Abkühlen braucht Zeit. Gleichzeitig wird oft mehr Material aufgeheizt als eigentlich notwendig ist.
Gerade bei schnellen Druckern oder bei Multi Tool Systemen kann das ein limitierender Faktor sein.
Die Idee hinter einem Induktions Hotend
Induktionsheizung funktioniert anders. Statt Wärme über eine Heizpatrone zu erzeugen, wird ein elektromagnetisches Feld genutzt.
Eine Spule erzeugt ein hochfrequentes Magnetfeld. In einem leitfähigen Metallkörper entstehen dadurch Wirbelströme. Diese erzeugen direkt Wärme im Material selbst.
Der große Vorteil ist, dass die Wärme genau dort entsteht, wo sie gebraucht wird.
Das eröffnet interessante Möglichkeiten für den 3D Druck.
Sehr kleine Heizbereiche
Extrem schnelle Aufheizzeiten
Geringere thermische Masse
Neue Ansätze für Werkzeugwechsler und modulare Druckköpfe
Unser Experiment mit einem induktionsbeheizten Hotend
In unserem Berliner Makerspace haben wir damals begonnen, mit diesem Konzept zu experimentieren. Ziel war es, ein Hotend zu bauen, das extrem schnell auf Temperatur kommt und eine sehr kleine beheizte Zone besitzt.
Dabei entstand ein funktionierender Demonstrator eines Induktions Hotends für 3D Drucker.
Der Prototyp zeigte bereits einige spannende Eigenschaften.
Das Hotend konnte sehr schnell aufheizen. Die beheizte Zone war extrem kompakt. Gleichzeitig war das Konzept interessant für zukünftige Toolchanger Systeme, bei denen Druckköpfe möglichst leicht und einfach sein müssen.
Damals haben wir das Projekt auch öffentlich dokumentiert.
Auch einige Medien aus der 3D Druck Szene haben darüber berichtet.
Zum Beispiel hier
https://3druck.com/industrie/induktions-hotend-3d-drucker-youin3d
Das damalige Patent
Zu dieser Zeit haben wir auch eine europäische Patentanmeldung für das Konzept eingereicht.
Patentnummer
EP3663073A1
Patentdokument
https://register.dpma.de/DPMAregister/pat/PatSchrifteneinsicht?docId=EP000003663073A1
Die Anmeldung beschreibt verschiedene Ansätze für ein induktiv beheiztes Hotend im FDM 3D Druck.
Wie das bei frühen Hardwareprojekten manchmal passiert, haben wir dieses Patent später nicht weiter aktiv verfolgt oder verteidigt. Rückblickend kann man sagen, das passt eigentlich auch besser zu unserer Maker Mentalität.
Die Ideen waren so sofort frei nutzbar ist.
Wissen sollen sich verbreiten, weiterentwickeln und von anderen aufgegriffen werden.

Induktions Hotends tauchen heute wieder auf
In den letzten Jahren sieht man immer häufiger neue Entwicklungen rund um induktive Heizung im 3D Druck.
Gerade bei modernen Multi Material Druckern und Toolchanger Systemen bietet dieses Prinzip interessante Vorteile.
Ein Druckkopf kann sehr leicht gebaut werden, weil keine Heizpatrone und keine Verkabelung notwendig sind. Die Energie wird über eine Induktionsspule im Druckkopf übertragen.
Dadurch entstehen neue Architekturen für modulare Drucksysteme.
Genau solche Ideen waren damals auch Teil unserer Überlegungen.
Kommt noch eine Open Source Version
Die ursprüngliche Idee war einmal, das Konzept später als Open Source Induktions Hotend der Community zur Verfügung zu stellen.
Mit der Zeit hat sich die Branche allerdings weiterentwickelt. Einige der Konzepte, die damals noch experimentell waren, tauchen heute in professionellen Systemen auf.
Trotzdem reizt uns der Gedanke immer noch.
Ein einfaches, offenes Design für ein Induktions Hotend könnte für viele Maker und Entwickler spannend sein. Besonders für Toolchanger Systeme oder experimentelle Drucker.
Vielleicht holen wir das Projekt irgendwann wieder aus der Schublade unseres Makerspaces in Berlin. Melde dich einfach wenn du Interesse hast.
YOUin3D Berlin
YOUin3D ist eine 3D Druck und 3D KI / AI Agentur und Makerspace in Berlin. Wir arbeiten an Prototypen, Kleinserien, Industrieprojekten und experimentellen Technologien rund um additive Fertigung.
Neben klassischem 3D Druck beschäftigen wir uns mit neuen Konzepten für Drucksysteme, Materialien und Produktionsprozesse.
Wenn du Fragen zu 3D Druck, Prototyping oder experimentellen Hardwareprojekten hast, kannst du uns jederzeit kontaktieren.